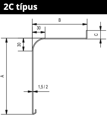
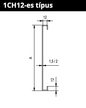
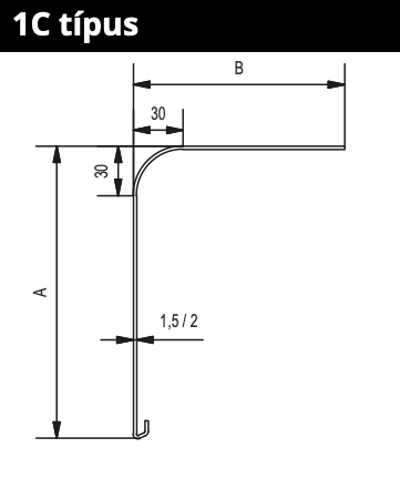
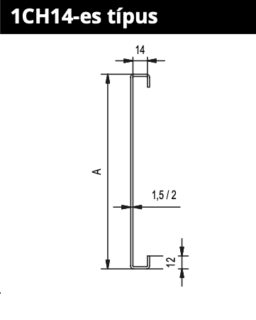
A kültéri zsaluziához szállított takarólemezek alumíniumból készülnek. Felületkezelésük bármely RAL szín szerint rendelhető. A lemezek hossza egy darabban legfeljebb 4 m, vastagsága 1,5 vagy 2 mm. Különféle típusú takarólemezeket kínálunk a könnyebb felszerelés érdekében.
A lemezek felületkezelése: RAL szín szerint Lemez hossza: max. 4 m egy darabban Lemez vastagsága: 1,5 vagy 2 mm Anyaga: alumínium
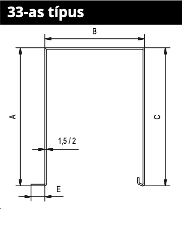
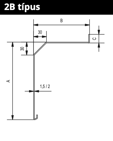
TAKARÓLEMEZEK TÍPUSAI
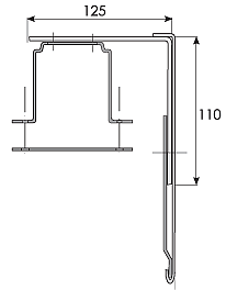
KARNISTARTÓ KONZOLOK TÍPUSAI
1-es sz. konzol – alumíniumSzerelés: mennyezet Takarólemezek: nem Anyag: alumínium Kombinálható: 2, 3, 4, 23, 33, 13, 14, CH típusú konzolokkal
2-es sz. konzol Szerelés: fal Takarólemezek: nem Anyag: horganyzott acél
3-as sz. konzol Szerelés: fal Takarólemezek: igen Anyag: horganyzott acél
4-es sz. konzol Szerelés: mennyezet Takarólemezek: nem Anyag: horganyzott acél
konzolok toldó típusai
Takarólemez magasság szerint: 140- 180 mm – a 190- 230 mm – b 240- 280 mm – c 290- 330 mm – d 340- 380 mm – e 390- 430 mm – f 440- 480 mm – g 490- 530 mm
R1-es konzol Szerelés: mennyezet Takarólemezek: nem Anyag: horganyzott acél Kombinálható: 2, 3, 4, 23, 33, 13, 14, CH típusú konzolokkal
13-as sz. konzol Szerelés: fal Takarólemezek: csak 1B, 2B, 1C, 2C típushoz Anyag: horganyzott acél
14-es sz. konzol Szerelés: mennyezet Takarólemezek: csak 1B, 2B, 1C, 2C típushoz Anyag: horganyzott acél
23-as sz. konzol Szerelés: fal Takarólemezek: igen Anyag: horganyzott acél
33-as sz. konzol Szerelés: fal Takarólemezek: igen Anyag: horganyzott acél
VEZETŐSÍNTARTÓ KONZOLOK TÍPUSAI
Standard konzolok Az alábbi vezetősíntípusokhoz:S típus, SDV típus
Teleszkópos konzol Figyelem: a konzol talpa szélesebb, mint a zsaluzia szélessége (6 mm mindkét oldalon) Csak a vezetősínek súlyát bírja tartani, nem a zsaluziákét.
KV típusú konzol Speciális konzol íves vezetősíntípusokhoz – használható a homlokzati rendszerben. Standard hosszúság 160 mm.
VEZETŐSÍNEK TÍPUSAI
S-típusú alap, klasszikus
SDV-típusú alap, dupla vezetősín (horony az oldalon)